Synchronverter
Les synchronverters ou générateurs synchrones virtuels[1],[2] sont des onduleurs qui imitent les générateurs synchrones[3] pour fournir une «inertie synthétique» aux services auxiliaires dans les systèmes électriques[4].

Contexte
Les onduleurs standards sont des éléments à très faible inertie. Pendant les périodes transitoires, qui sont principalement dues à des défauts ou à des changements de suivi de charge, ils suivent les changements rapidement et peuvent entraîner une aggravation des conditions, mais les générateurs synchrones ont une inertie notable qui peut maintenir leur stabilité.
Récemment, en utilisant de plus en plus d'énergies renouvelables, en particulier des cellules solaires, davantage d'onduleurs ont été utilisés dans les réseaux et pour les raisons mentionnées, cela pourrait compromettre la fiabilité du système d'alimentation[4].
L'utilisation de synchronverters permet même de modéliser la grille et de réduire les calculs de grille en remplaçant le modèle d'onduleur par un modèle de générateur synchrone et en utilisant des théories de stabilité à maturité élevée[5],[6].
Modèle Synchronverter


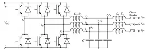
La structure du synchroniseur peut être divisée en deux parties : la partie puissance (voir la figure 2) et la partie électronique. La partie puissance concerne la transformation de l'énergie et le chemin de transfert, y compris le pont, le circuit de filtrage, la ligne électrique, etc. La partie électronique se réfère aux unités de mesure et de contrôle, y compris les capteurs et le DSP.
Le point important de la modélisation du synchroniseur est de s'assurer qu'il a un comportement dynamique similaire à celui d'un générateur synchrone (voir figure 3).
Articles connexes
Notes et références
- (en) Fang Gao et M. Reza Iravani, « A control strategy for a distributed generation unit in grid-connected and autonomous modes of operation », IEEE Transactions on power delivery, vol. 23, , p. 850-859
- Yong Chen, Ralf Hesse, Dirk Turschner, et al. “Improving the grid power quality using virtual synchronous machines”, Proceedings of the 2011 International Conference on Power Engineering, Energy and Electrical Drives, p. 1-6, (2011).
- (en) Zhong Qing-Chang et George Weiss, « Synchronverters: Inverters That Mimic Synchronous Generators », IEEE Transactions on Industrial Electronics, vol. 58, no 4, , p. 1259–1267
- Peter Fairley, « Can Synthetic Inertia from Wind Power Stabilize Grids? »(Archive.org • Wikiwix • Archive.is • Google • Que faire ?), IEEE, (consulté le )
- (en-US) « Network Code on Requirements for Grid Connection Applicable to all Generators (RfG) », ENTSO-E, (consulté le )
- « The utilization of synthetic inertia from wind farms and its impact on existing speed governors and system performance »(Archive.org • Wikiwix • Archive.is • Google • Que faire ?), ELFORSK, (consulté le ) : « Installing wind turbines with synthetic inertia is a way of preventing this deterioration. », p. 6 (Summary)
- Portail des technologies
- Portail de l’énergie
- Portail de l’électricité et de l’électronique