Induction mutuelle
L'induction mutuelle est un coefficient permettant de décrire l'influence d'un circuit magnétique sur un autre. L'induction mutuelle traduit le fait qu'une variation de courant dans un circuit magnétique peut entraîner l'apparition d'une tension dans un autre circuit magnétique. L'induction mutuelle entre deux circuits est définie par le rapport entre le flux créé par un dipôle magnétique traversant un second dipôle et le courant ayant créé ce flux.
Définition

On considère les courbes et parcourues par des courants et . Le courant produit dans tout l'espace un champ magnétique . Le flux généré par le champ magnétique à travers est noté .
En utilisant le potentiel vecteur , on peut ré-écrire la relation précédente :
En utilisant le théorème de Stokes, la relation précédente devient :
L'expression du potentiel vecteur généré par un circuit linéique parcouru par un courant s'écrit :
L'expression finale du flux est :
que l'on note : avec l'induction mutuelle entre le circuit et le circuit .
On remarque que est inchangé par permutation des indices 1 et 2 dans les calculs d'où :
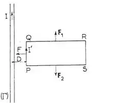
Interaction entre un fil rectiligne infini et une spire rectangulaire (en mouvement?)

Le champ produit par un courant rectiligne infini se calcule par le théorème d'Ampère. Prenons suivant l'axe Oz et un cercle de rayon r pour faire :
On en déduit que :
Si on a une spire rectangulaire dont deux côtés de longueur L sont parallèles au courant et les deux autres perpendiculaires, alors
et on en déduit que
Voir aussi
Liens internes
- Induction électromagnétique
- Inductance
- Inductance de fuite
- Circuits magnétiquement couplés
- Circuit magnétique
- Portail de l’électricité et de l’électronique