Générateur Cockcroft-Walton
Le générateur Cockcroft-Walton, aussi appelé cascade de Greinacher, voire cascade de Villard, est un multiplicateur de tension développé par John Douglas Cockcroft et Ernest Thomas Sinton Walton. À partir d'une tension alternative relativement faible, il permet de générer une tension électrique continue importante en sortie. Il s'agit donc d'un montage redresseur.

Histoire
Le circuit de Greinacher a été inventé en 1913 par Heinrich Greinacher[1] afin de lui permettre d'alimenter son ionomètre entre 200 et 300 V grâce au réseau 110 V de la ville de Zurich[2].
Il met ensuite son circuit en cascade en 1920 pour réaliser un multiplicateur de tension plus performant. Le montage cascade de Greinacher est parfois par erreur nommé montage cascade de Villard. En 1932, John Cockcroft et Ernest Walton redécouvrent le montage de manière indépendante et l'utilisent pour leur accélérateur de particules, le montage est parfois ainsi appelé générateur Cockcroft-Walton[3]. Il permit de réaliser la première désintégration nucléaire artificielle, puis pour une majeure partie de leurs travaux de recherche qui leur valurent de recevoir en 1951 le Prix Nobel de physique, pour les « transmutations nucléaires de noyaux lourds provoquées par bombardement avec des particules accélérées à l'aide d'un générateur de haute tension électrostatique ». La réaction réalisée en 1932 est [4]:
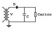
Montage à un étage




Le circuit de Greinacher est principalement un circuit de Villard combiné à un détecteur d'enveloppe. Le montage de Villard, c'est-à-dire la capacité associée à la diode permettent d'élever la tension, le détecteur d'enveloppe de la lisser. Dans le détail dans le circuit de Villard, le condensateur est chargé sur lors de l'alternance (demi-période) négative à l'amplitude maximale de la tension alternative (Vpk). La tension de sortie est égale à la tension alternative d'entrée à laquelle s'ajoute la tension constante du condensateur. Le circuit fait passer la composante continue du signal de zéro à Vpk, son minimum devient zéro volt, en négligeant la tension de seuil de la diode, la tension de sortie maximale devient donc 2 Vpk. La tension de sortie est certes continue, elle oscille fortement au rythme de la tension alternative d'entrée[5].
Grâce au circuit détecteur de crête, la charge et la décharge du condensateur sert à lisser la tension de sortie. Dans le détail [6]:
Lorsque le montage n'est pas à vide, un courant I s'écoule vers la charge supposée résistive. Ce courant correspond à une charge Q [6]:
La variation de la charge lors de la charge est la même dans le condensateur. Si on note l'amplitude des ondulations de tension on obtient :
D'où :
L'amplitude des ondulations augmente donc avec la valeur du courant et diminue quand la fréquence augmente[6].
Montage à plusieurs étages


À vide
En pratique le montage à un étage n'est pas utilisé pour des tensions supérieures à environ 300 kV. Au-delà les composants électriques deviennent très massif. Afin d'atteindre des tensions plus élevées sans devoir utiliser des composants dimensionnés pour de très hautes tensions, on met en cascade plusieurs montage de Greinacher à un étage (voir figure ci-contre). Les condensateurs d'un côté jouent le rôle d'élévateur de tension comme dans le montage de Villard, de l'autre des condensateurs de lissage permettent de lisser la tension. L'ensemble est alimenté par une source de tension alternative dont on nommera l'amplitude Vmax. Le principe reste le même que pour le montage à un étage, chaque étage a pour tension d'entrée la tension alternative de départ à laquelle vient s'ajouter une composante continue égale à où est le nombre d'étages le précédent. Les tensions V'1, V'2 et V'3 oscillent donc de manière sinusoïdales, tandis que les tensions V1, V2 et V3 sont constantes. À vide les condensateurs de lissage ne subissent aucune charge ou décharge, leur tension est constante[6].
Chaque étage, à l'exception du premier a la même tension à ses bornes, on peut donc utiliser les mêmes composants électriques. On note cependant que le condensateur C'1 a une tension à ses bornes de Vmax, tous les autres condensateurs ont une tension maximale de 2 x Vmax. Pour cette raison [7]. La tension continue de sortie théorique du montage est la tension d'un étage multipliée par le nombre d'étages soit [6]:
En charge

Quand le montage alimente une charge, un courant I traverse le montage. Ce courant réduit la tension de sortie du montage. En effet, les condensateurs vont se charger et se décharger ce qui provoque une ondulation de la tension .
Dans le détail, quand la tension alternative décroit, les diodes allant des condensateurs élévateurs de tension à ceux de lissage (de biais sur le schéma) conduisent. Les condensateurs élévateurs de tension chargent alors ceux de lissage. Quand la tension devient minimale, les diodes entre les condensateurs de lissage et ceux élévateurs de tension (verticales sur le schéma) s'amorcent et conduisent à leur tour le courant. Et cette fois ce sont les condensateurs de lissage qui chargent ceux élévateurs de tension[6].
Si on note Q la charge transférée à chaque période à la charge, on a tension électrique continue :

Cette charge ne provient pas que du dernier condensateur, elle est transférée à travers chaque condensateur. Elle charge et décharge à la fois les condensateurs d'élévation de tension, mais aussi ceux de lissage. Les condensateurs proches de la source de tension alternative voient donc transiter les charges de tous les condensateurs plus proches de la charge à travers eux (voir schéma ci-contre). Comme tension électrique continue [6] :
L'ondulation de la tension de la cascade est égale à la somme des ondulations de chaque étage tension électrique continue [6] :
Les composants de tous les étages étant les mêmes, on obtient finalement tension électrique continue [6] :
Par ailleurs, au-delà des ondulations, la tension continue de sortie n'atteint pas en charge la tension à vide. En effet, les condensateurs ne parviennent pas à se charger totalement. La chute de tension à chaque étage vaut [8]:
La tension de sortie vaut donc [6] :
Et
Pour n ≥ à 4 on peut simplifier l'expression en [6] :
Cette fonction est croissante puis décroissante. Elle atteint son maximum pour [6] :
S'il n'est pas conseillé d'utiliser ce nombre d'étages optimum, car les variations de tensions sont alors très importante, il est important de comprendre qu'il n'est pas possible d'augmenter indéfiniment la tension en augmentant juste le nombre d'étages[6].
Les inductances parasites des capacités proches de la source de tension alternative provoque également une ondulation de la tension de sortie, tout particulièrement quand le nombre d'étages devient grand.
Réglage et variation dans le montage

En pratique les cascades de Greinacher sont rarement alimentées avec une source de tension alternative à la fréquence industrielle. Des fréquences allant de 1 à 10 kHz sont généralement préférées. Le courant nominal est lui compris entre 10 uA et 100 mA[6]. Les cascades avec beaucoup d'étages ne peuvent en pratique être utilisées que si le courant de sortie est faible, afin de limiter les ondulations.
Afin de limiter l'amplitude des variations de la tension de sortie, il peut être intéressant d'utiliser plusieurs colonnes élévatrices de tension[6]. Une autre solution consiste à accroître la capacité des condensateurs proches de la tension alternative. Un signal de forme triangulaire ou rectangulaire peut être choisi pour cette dernière. En utilisant un onduleur ou une combinaison d'un onduleur et d'un transformateur à haute tension, la taille générale du montage de Greinacher peut être significativement réduite.
Pour produire une tension négative, il suffit de retourner les diodes dans le montage. Certaines cascades ont des diodes qui sont retournées mécaniquement[6].
Des éclateurs ou parafoudres peuvent être montés en parallèle des condensateurs proches de la sortie pour les protéger contre les surtensions, ainsi qu'en parallèle du transformateur servant de source de tension alternative. Une résistance peut aussi être montée entre la cascade et l'appareil testé afin de réduire le courant et ainsi de protéger la cascade[7].
Applications
Les cascades de Greinacher sont utilisées quand il faut produire une forte tension continue avec peu de courant. Par exemple dans le cas des essais diélectriques du matériel électrique[6]. Elles servent aussi en physique expérimentale, par exemple pour alimenter des lasers, des émetteurs de rayons X, des pompes à ions, des systèmes électrostatiques, des tubes à ondes progressives et les accélérateurs de particules. Elles servent aussi dans des applications plus quotidiennes : dans certains photocopieurs, dans les ionisateurs d'air, dans le rétroéclairage des écrans LCD, les oscilloscopes et les télévisions à tubes cathodiques.
Fabricants
- Haefely, qui a fusionné avec Hipotronics, un autre fabricant.
- Hi-Volt
Références
- (en)/(it) Cet article est partiellement ou en totalité issu des articles intitulés en anglais « Cockcroft–Walton generator » (voir la liste des auteurs) et en italien « Generatore Cockcroft-Walton » (voir la liste des auteurs).
- (en) H Greinacher, « The Ionometer and its Application to the Measurement of Radium and Röntgen Rays », Physikal. Zeitsch., vol. 15, , p. 410–415
- Mehra et Rechenberg 2001, p. 284
- Kind et Feser 2001, p. 29-30
- (en) Eric B. Paul, Nuclear and Particle Physics, North-Holland Publ. Comp.,
- Kind et Feser 2001, p. 28
- Kuffel, Zaengl et Kuffel 2000, p. 10-21
- (en) « Generating High Direct Voltages », sur TU Darmstadt (consulté le )
- Michel Aguet et Michel Ianoz, Haute tension, PPUR presses polytechniques, (lire en ligne), p. 130
Bibliographie
- (en) Dieter Kind et Kurt Feser, High-voltage Test Techniques, Newnes, , 308 p. (ISBN 0-7506-5183-0, lire en ligne)
- (de) Andreas Kuechler, Hochspannungstechnik, Grundlagen, Technologie, Anwendungen, Berlin, Springer, , 543 p. (ISBN 3-540-21411-9, lire en ligne)
- (en) E. Kuffel, W.S. Zaengl et J. Kuffel, High voltage engineering, fundamentals, Oxford, Newnes, (ISBN 0-7506-3634-3)
- (en) J Mehra et H Rechenberg, The Historical Development of Quantum Theory, Springer, (ISBN 0-387-95179-2)
Liens externes
- (en) « Vidéo, tutorial sur la cascade de Greinacher », sur youTube (consulté le )
- (en) « Explications sur le montage de Cockcroft-Walton avec photos et calculs », sur blazelabs (consulté le )
- Portail de l’électricité et de l’électronique
- Portail de l’énergie