Circuit intégré 7486
Le circuit intégré 7486 fait partie de la série des circuits intégrés 7400 utilisant la technique TTL.
Ce circuit est composé de quatre portes logiques indépendantes OU exclusif à deux entrées.

Circuit intégré 7486 (Motorola SN74LS86)
.png.webp)
Die d'un SN74HC86
Brochage

Brochage des boîtiers DIP
(vue du dessus)
(vue du dessus)
Table de vérité
| Entrées | Sortie | |
|---|---|---|
| A | B | Y |
| 0 | 0 | 0 |
| 0 | 1 | 1 |
| 1 | 0 | 1 |
| 1 | 1 | 0 |
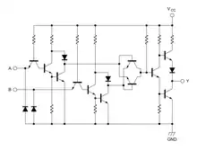
Schéma interne

Schéma d'une porte du circuit TTL standard 7486 (OU Exclusif) de Fairchild[1].

Diagramme logique d'une porte du circuit TTL standard 7486 (OU Exclusif) de Fairchild.
Références
- (en) TTL Data Book Fairchild 1972
Voir aussi
Liens externes
- (en) Spécifications des circuits S5486/N7486, Signetics Digital 54/7400 Data Book, 1972
- Portail de l’électricité et de l’électronique
Cet article est issu de Wikipedia. Le texte est sous licence Creative Commons – Attribution – Partage à l’identique. Des conditions supplémentaires peuvent s’appliquer aux fichiers multimédias.