Circuit intégré 7432
Le circuit intégré 7432 fait partie de la série des circuits intégrés 7400 utilisant la technique TTL.
Ce circuit est composé de quatre portes logiques indépendantes OU à deux entrées.

Circuit intégré 7432 (Motorola SN74LS32)

Die d'un 74F32
Brochage

Brochage des boîtiers DIP
(vue du dessus)
(vue du dessus)
Table de vérité
| Entrées | Sortie | |
|---|---|---|
| A | B | Y |
| 0 | 0 | 0 |
| 0 | 1 | 1 |
| 1 | 0 | 1 |
| 1 | 1 | 1 |
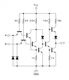
Schéma interne
Schéma d'une porte du circuit SN7432 (TTL standard) de Texas Instruments.
Schéma d'une porte du circuit SN74LS32 (TTL Low-power Schottky) de Texas Instruments.
Schéma d'une porte du circuit SN74S32 (TTL Schottky) de Texas Instruments.
Voir aussi
Références
- (en) Spécifications des circuits 5432/DM5432/DM7432, National Semiconductor LS/S/TTL Logic Data Book, 1989
Liens internes
- Portail de l’électricité et de l’électronique
Cet article est issu de Wikipedia. Le texte est sous licence Creative Commons – Attribution – Partage à l’identique. Des conditions supplémentaires peuvent s’appliquer aux fichiers multimédias.


