Baldwin RS-4-TC
La Baldwin RS-4-TC est une locomotive de manœuvre diesel-électrique construite par Baldwin Locomotive Works entre juillet 1953 et janvier 1955. Les RS-4-TC ont été alimentés par un moteur diesel avec suralimentateur à douze cylindres évalué à 400 chevaux (298 KW), montée sur une paire d’essieux dans un dispositif de roue B’B’. 74 de ces modèles ont été construits principalement pour l'armée américaine alors que quelques-uns d'entre eux ont servi à l'armée de l'air américaine [1]

Elles prennent leur nom comme suit :
- RS - Road Switching Service (locomotive de manœuvre)
- 4 – 4e type militaire
- TC - Transportation Corps (Corps de transport de l'armée)
Quelques modèles servent sur les bases militaires américaines en Europe ; elles servaient la base américaine d’Ingrandes en France jusqu’au retrait de la France de l’OTAN en 1966 [2].
Détails techniques
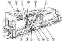
Le moteur diesel, utilisé pour fournir de l'énergie, est un moteur à huit cylindres avec turbocompresseur, refroidi à l'eau, à quatre cycles, en V. Il est directement connecté au générateur principal. Les moteurs de traction sont suspendus par des essieux et supportés sur les traverses par suspension à ressort. Un moteur de traction est adapté à chaque essieu à travers un seul ensemble d'engrenages avec un rapport de 14:72. Le radiateur maintient le moteur à une température de fonctionnement appropriée entre 37,7 et 92,2 °C. Deux boîtes de piles extérieures, une de chaque côté de la locomotive, fournissent des compartiments ventilés pour loger les huit piles électriques. Deux réservoirs principaux, un de chaque côté de la locomotive, fournissent un moyen de stockage de l'air pour le système d'air. Le générateur principal fournit une alimentation en courant continu sur une large gamme de tension à différentes vitesses jusqu'à 1 200 tr/min. Il est excité séparément par le générateur d'excitation monté sur le cadre du générateur. Le générateur sert également de moteur de démarrage lorsque le bouton de démarrage est enfoncé et que l'interrupteur de batterie est fermé. Le réservoir d'essence peut contenir 1 892 litres de carburant diesel pour le fonctionnement de la locomotive. Deux tuyaux de remplissage et deux lunettes de vue, un de chaque côté de la locomotive, fournissent un moyen de remplir le réservoir et de surveiller le niveau de carburant. Le ventilateur fournit une ventilation forcée pour les moteurs de traction qui nécessitent un refroidissement adéquat. Il est entraîné par courroie depuis l'arbre principal du générateur [3].
Le contrôleur principal se trouve dans la cabine de la locomotive; il contient l'accélérateur, l'inverseur, les commandes de freins et d'autres commandes et indicateurs utilisés par l'opérateur pour faire fonctionner et surveiller la machine. L'armoire d'équipement contient les relais de commutation et les contacteurs automatiques et se trouve dans la cabine de la locomotive. Une haute tension et une basse tension sont présentes dans l'armoire électrique lorsque la locomotive fonctionne [3].
Notes et références
- (en) Cet article est partiellement ou en totalité issu de l’article de Wikipédia en anglais intitulé « Baldwin RS-4-TC » (voir la liste des auteurs).
- (en) « RS-4-TC », sur The Baldwin Diesel Zone (consulté le )
- (en) Joe McMillan, « The French Connection », sur photo sur flickr (consulté le )
- (en) HEADQUARTERS, DEPARTMENTS OF THE ARMY AND THE AIR FORCE, « TECHNICAL MANUAL, INTERMEDIATE DIRECT SUPPORT AND INTERMEDIATE GENERAL SUPPORT, MAINTENANCE MANUAL, LOCOMOTIVE, DIESEL-ELECTRIC, 56-1/2-INCH GAGE, 60 TON, 500 HP, 0-4-4-0 WHEEL, MODEL RS-4-TC-1A, NSN 2210-01-158-2978 », Manuel d'utilisateur, vol. texte au domaine public aux USA, produit du gouvernement fédéral,
Voir aussi
- Portail du chemin de fer en Amérique du Nord