Étau

Un étau est un outil qui permet la « mise en position » et le « maintien en position » (serrage) d'une pièce.

Étau.
Étau équipé de mordaches en plomb recouvertes d'une feuille de cuir pour éviter de marquer l'objet.
Mordaches en plomb recouvertes d'un cuir.

En général, l'étau est composé d'une partie fixe (généralement liée au plan de travail : établi, table de machine-outil…), d'une partie mobile, et d'un système de serrage.

C'est souvent par un système vis-écrou que le serrage est effectué : il permet d'appliquer des efforts importants tout en étant irréversible (selon l'angle). Un autre système assez souvent employé est le serrage par excentrique.

Étau de bijoutier ou étau à rotule

Étau fixé à un établi.

Étau en bois de Löffelholz-Codex, Nürnberg 1505
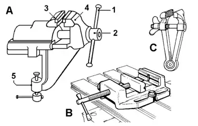
  • A : étau à agrafe.
    • 1 : manette de serrage.
    • 2 : tête de la vis de serrage.
    • 3 : sous-ensemble dit « mâchoire fixe » (comportant le mors fixe), guidage complet en translation (un seul degré de liberté) sur 4
    • 4 : sous-ensemble dit « mâchoire mobile » comportant le mors mobile
    • 5 : sous-ensemble de fixation au plan de travail (ici par « agrafe », avec vis de pression : liaison complète temporaire)
  • B : étau de perceuse/fraiseuse
  • C : étau manuel (sans sous-ensemble de fixation sur plan de travail)

Les trois modèles dessinés utilisent le système vis-écrous, mais avec des différences de structure :

  • l'organe manœuvré pour le serrage est la vis pour A et B, mais c'est l'écrou pour C ;
  • le mors mobile est le mors le plus près de l'organe de manœuvre du serrage pour B et C, le plus éloigné pour A.

Il existe des étaux à mors plaqueurs, dont les mors coulissent pour plaquer la pièce.

Les mors peuvent être équipés de mors doux ou « mordaches », fabriqués dans un matériau tendre (bois, caoutchouc, plomb, aluminium, plastique, etc) et dont le but principal est d'éviter une déformation ou un marquage de la pièce serrée dans l'étau. Ces mordaches peuvent parfois comporter une empreinte spécifique correspondant à une empreinte particulière de la pièce à maintenir.

Étau de table à double vis. Les pas sont inversés pour permettre un serrage plus rapide sans perdre les propriétés de coincement.

Notes et références

    • icône décorative Portail de la production industrielle
    Cet article est issu de Wikipedia. Le texte est sous licence Creative Commons – Attribution – Partage à l’identique. Des conditions supplémentaires peuvent s’appliquer aux fichiers multimédias.